
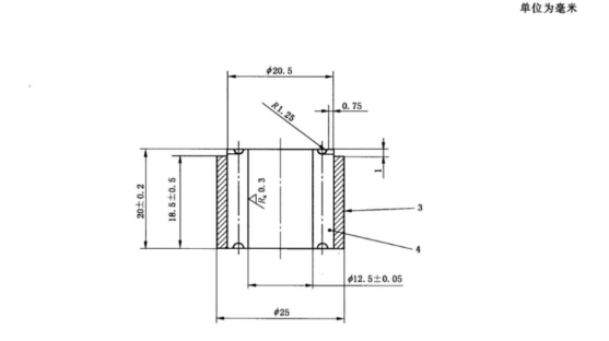
制样的对开模具-弹性回复和压应变试验
执行标准:
YY/T 0493-2022、ISO4823:2015
技术参数:
由阳极氧化铝,黄铜或不锈钢制成。

配置清单:
模具一套
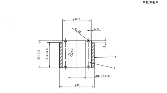
制样的对开模具-弹性回复和压应变试验
执行标准:
YY/T 0493-2022、ISO4823:2015
技术参数:
由阳极氧化铝,黄铜或不锈钢制成。

配置清单:
模具一套
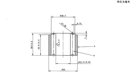
制样的对开模具-弹性回复和压应变试验
执行标准:
YY/T 0493-2022、ISO4823:2015
技术参数:
由阳极氧化铝,黄铜或不锈钢制成。

配置清单:
模具一套
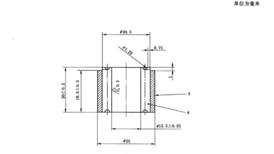
制样的对开模具-弹性回复和压应变试验
执行标准:
YY/T 0493-2022、ISO4823:2015
技术参数:
由阳极氧化铝,黄铜或不锈钢制成。

配置清单:
模具一套
制样的对开模具-弹性回复和压应变试验
执行标准:
YY/T 0493-2022、ISO4823:2015
技术参数:
由阳极氧化铝,黄铜或不锈钢制成。

配置清单:
模具一套
上一篇 : 制备吸水性和溶解性试样的不锈钢模具和盖子 精工制造
下一篇 : 细节再现和与石膏的配伍性试验组件 符合测试标准
